Home > Products > High Head Pump for Civil Engineering Site
 



 

Use
  • Civil Engineering Site
Application
  • Draining of amount water at construction site
  • Draining and supplying of water hole and tank
  • Draining a shipbuilding yard and a mine

Standard Specifications

diameter
İŞmm

Model

Out-Put
(kw)

Total Head(m)

Discharge Capacity
Q(§İ/min)

rpm

Weight (kg)

100

SSH-4-220H

22

60

1.0

3600

400

150

SSH-6-220L

22

35

2.0

3600

400

SSH-6-300H

30

60

1.4

"

530

SSH-6-370H

37

60

2.0

"

550

SSH-6-450H

45

60

2.5

"

750

SSH-6-550H

55

90

2.0

"

830

SSH-6-750H

75

120

1.5

"

830

SSH-6-900H

90

120

2.0

"

950

SSH-6-1100H

110

160

2.0

"

990

200

SSH-8-300L

30

35

3.0

"

530

SSH-8-370L

37

35

3.6

"

660

SSH-8-450L

45

35

4.5

"

750

SSH-8-550L

55

50

4.0

"

780

SSH-8-750L

75

60

4.5

"

830

SSH-8-900L

90

60

5.5

"

950

SSH-8-1100L

110

80

4.5

"

990

Performance Curve

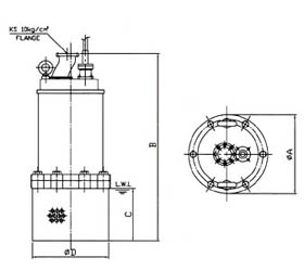
Outline Drawing and Size

Model

A

B

C

D

SSH-4-220H

486

1281

190

470

SSH-6-220L

486

1316

190

470

SSH-6-300H

486

1316

190

470

SSH-6-370H

620

1663

230

594

SSH-6-450H

620

1663

230

594

SSH-6-550H

620

1663

230

594

SSH-6-750H

620

1663

230

594

SSH-6-900H

850

2250

360

750

SSH-6-1100H

850

2250

360

750

SSH-8-300L

486

1406

190

470

SSH-8-370L

620

1708

230

594

SSH-8-450L

620

1708

230

594

SSH-8-550L

620

1708

230

594

SSH-8-750L

620

1708

230

594

SSH-8-900L

850

2269

370

750

SSH-8-1100L

850

2269

370

750

 

Structure cross section

NO.

Description

Material

NO.

Description

Material

1

CAB TYPE CABLE

-

14

STRAINER

SS400

2

STUFFING BOX

GC200

15

PROTECTED

N.B.R

3

UPPER BEARING

STB2

16

EYE BOLT

SS400

4

MOTOR BRACKET

GC200

17

STATOR

S-60

5

MOTOR FRAME

GC200

18

ROTOR

S-60

6

MOTOR SHAFT

STS410

19

LOWER BEARING

STB2

7

BEARING COVER

GC200

20

OIL

TURBINE OIL

8

BEARING HOUSING

GC200

21

MECHANICAL SEAL

SIC/SIC

9

OIL CHAMBER

GC200

22

FLANGE

SS400

10

OIL SEAL

N.B.R

24

OIL BOLT

SS400

11

PUMP CASING

GC200

25

OUT CASING

SPP

12

IMPELLER

GCD500

.
.
.

13

SUCTION COVER

GCD500

.
.
.

 

 

Copyrights (c) shinshin pump manufacturing co. all rights reserved.
 
Head office &1st Factory :24-20 ,Yeockgok1-dong , Pucheon, Kyeong-ki province.
Tel: 82-2-2615-6833~4, Fax : 82-2-2615-6835 e-mail : shin68350@naver.com
2 st Factory : #2Ra-412,Shihwa industrial complex,1363-11,Jungwang-dong,Shi-heung,Kyeong-ki province