ȸ»ç¼Ò°³
Àλ縻
ȸ»ç¿¬Çõ
Á¶Á÷µµ
ÀÎÁõÇöȲ
¼³ºñÇöȲ
¿µ¾÷Á¾¸ñ¼Ò°³
³³Ç°½ÇÀû
ã¾Æ¿À½Ã´Â±æ
½Å½Å¼öÁ߯ßÇÁÀÇ Æ¯Â¡
½Å½ÅÆßÇÁÀÇ ±â¼úÀûÀΠƯ¡
½Å½Å Ãà»ç·ùÆßÇÁÀÇ Æ¯Â¡
½Å½Å °ÔÀÌÆ®ÆßÇÁÀÇ Æ¯Â¡
Á¦Ç°¼Ò°³
SSV
Åä¸ñ°ø»ç¿ë ¹è¼öÆßÇÁ
SSH
Åä¸ñ°ø»ç¿ë °í¾çÁ¤ÆßÇÁ
SGPT
¸ð·¡ÀÚ°¥ÀÌ¼ÛÆßÇÁ
SGPN
¸ð·¡ÀÌ¼ÛÆßÇÁ
SCR
½ºÅ©·ùÆßÇÁ
SCE/SC
¼öÁßÄ¿ÅÍÆßÇÁ
SVEX
¿À¼ö¿À¹°¿ë º¼ÅؽºÆßÇÁ
SSB
°í¾çÁ¤ ¿À¼öÀÌ¼ÛÆßÇÁ
SB/SBH/SBL
´ë¿ë·®ÀÌ¼ÛÆßÇÁ
SCP
½ºÄĽºÅ°¸ÓÆßÇÁ
SAR/SARN
¼öÁ߯÷±â±â
SMX
¼öÁ߹ͼ
SAX
¼öÁßÃà·ùÆßÇÁ
SMIX
¼öÁß»ç·ùÆßÇÁ
SSA
¼öÁ߯÷±â±â
SPH
³»ºÎ¹Ý¼ÛÆßÇÁ
SSG/SCG
¼öÁß±×¶óÀÎÅÍÆßÇÁ
SAXH
°ÔÀÌÆ®ÆßÇÁ
SVA(M)
ÀÔÃà Ãà»ç·ùÆßÇÁ
SHA(M)
ȾÃà Ãà»ç·ùÆßÇÁ
±â¼úÀÚ·á
¿Â¶óÀÎÁÖ¹®
È«º¸¿µ»ó
°í°´Áö¿ø
»ó´ã¹®ÀÇ
°¶·¯¸®
°øÁö»çÇ×
ä¿ë°ø°í
HOME
CONTACT
SITEMAP
ENGLISH
¼öÁ߯ßÇÁ Å»ÂøÀåÄ¡ ¼³Ä¡Áöħ
Ãà»ç·ù¼³Ä¡¹æ¹ý
Ãë±Þ¼³¸í¼
°íÀå¿øÀΰú À¯ÀÇ»çÇ×
¿îÀü°ü¸®Áöħ
Æó·¹¹ÌÄÜÀçȰ¿ë½Ã½ºÅÛ ÀÛµ¿¿ø¸®
»÷µåÇ÷£Æ®ÀÇ ÀÛµ¿¿ø¸®
¼öÁßÄÉÀÌºí ¿¬Àå½Ã Àû¿ëÇ¥
¼ÒºñÀü·Â·®ÀÇ »êÃâ ¹× ¸¶Âû¼Õ½Ç Á¶°ßÇ¥
´Ù¿î·ÎµåÀÚ·á½Ç
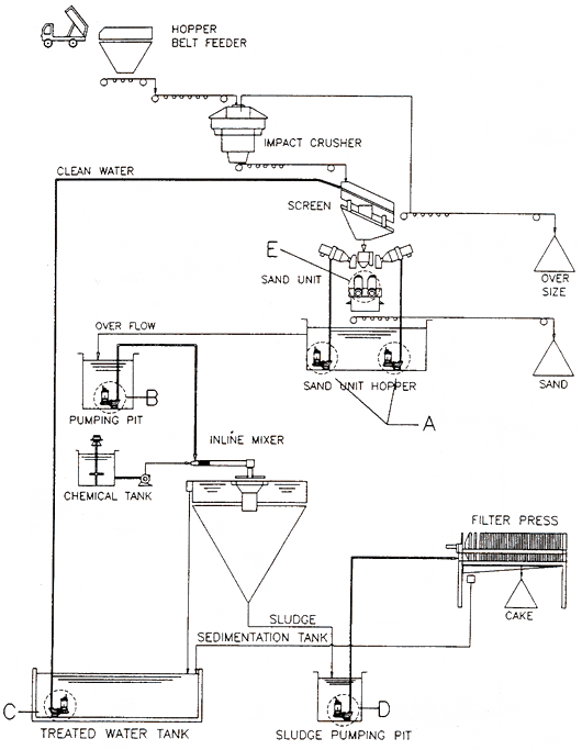
HOME > ±â¼úÀÚ·á > »÷µåÇ÷£Æ®ÀÇ ÀÛµ¿¿ø¸®
Á¦Á¶¼³ºñ
PARTS
MODEL
SPECIFICATIONS
A
SGPT-4-150
45KW-6P-15m-4.5§©/min
B
450-SB-8-75
45KW-4P-20m-6.5§©/min
C
450-SBH
45KW-4P-25m-6.5§©/min
D
450-SDBN
45KW-4P-40m-1.0§©/min